
【产品概述】
FST100-2007雨雪变送器是利用雨水的导电特性,测量室外或自然界是否降雨或降雪的测量设备。内置自动加热装置可排除雨雪附着的干扰,保障系统的正常运行。可广泛应用于环境、温室、养殖、建筑、楼宇等的雨雪有无的定性测量,反应灵敏,安全可靠,安装方便。
【产品特点】
● 结构小巧,安装方便
● 结构结实,抗压,耐腐蚀
● 测量准确度高,性能可靠
● 传输距离长,抗干扰能力强
● 选配自加热功能,在低温场合,防止结冰、结露
【应用范围】
● 气象、环境监测
● 机场、建筑、港口雨水有无测量
● 工农业及交通等领域的雨雪有无测量
【技术参数】
| 供电电源 | 10~30VDC |
| 工作温度 | -20℃~+60℃ |
| 输出信号 | RS485(Modbus-RTU协议) 继电器:常开触点 |
| 参数配置 | 通讯设置 |
| 最大加热温度 | 40℃(默认) |
| 输出继电器带负载能力 | 250VAC 1A / 30VDC 1A |
| 电气连接 | 直接引线 |
| 加热功能(选配) | 加热启动环境温度<15℃(默认) |
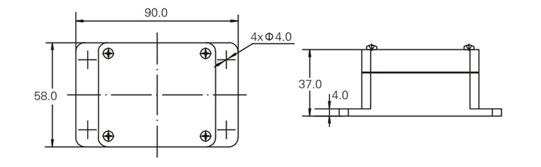
【外形结构】

【细节描述】
【1. 产品分解图】

【2. 产品设计】

【3. 安装简便】

【4. 自动加热】

【5. 高性能电路】

【6. 安装注意事项】

【电气连接方式】

【电气连接】

:


